Email: sales@jxtianyou.com | English
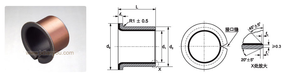
| unit(单位):mm | ||||||||||||||||||
| d | d | axle | housing h7 |
wall thickness | f1 | f2 | l0-0.40(d≤φ30 l -0.30 / d>φ30 l -0.40) | |||||||||||
|---|---|---|---|---|---|---|---|---|---|---|---|---|---|---|---|---|---|---|
| min | max | 6 | 8 | 10 | 12 | 15 | 20 | 25 | 30 | 40 | 50 | 60 | ||||||
| 6 | 8 | 6-0.013 -0.028 |
8+0.015 | 0.980 | 1.005 | 0.6 | 0.3 | 0606 | 0608 | 0610 | ||||||||
| 8 | 10 | 8-0.013 -0.028 |
10+0.015 | 0806 | 0808 | 0810 | 0812 | 0815 | ||||||||||
| 10 | 12 | 10-0.016 -0.034 |
12+0.018 | 1006 | 1008 | 1010 | 1012 | 1015 | 1020 | |||||||||
| 12 | 14 | 12-0.016 -0.034 |
14+0.018 | 1206 | 1208 | 1210 | 1212 | 1215 | 1220 | 1225 | ||||||||
| 13 | 15 | 13-0.016 -0.034 |
15+0.018 | 1310 | 1320 | |||||||||||||
| 14 | 16 | 14-0.016 -0.034 |
16+0.018 | 1410 | 1412 | 1415 | 1420 | 1425 | ||||||||||
| 15 | 17 | 15-0.016 -0.034 |
17+0.018 | 1510 | 1512 | 1515 | 1520 | 1525 | ||||||||||
| 16 | 18 | 16-0.016 -0.034 |
18+0.018 | 1610 | 1612 | 1615 | 1620 | 1625 | ||||||||||
| 17 | 19 | 17-0.016 -0.034 |
19+0.021 | 1710 | 1712 | 1720 | ||||||||||||
| 18 | 20 | 18-0.016 -0.034 |
20+0.021 |
1810 | 1812 | 1815 | 1820 | 1825 | ||||||||||
| 20 | 23 | 20-0.020 -0.041 |
23+0.021 | 1.475 | 1.505 | 0.6 | 0.4 | 2010 | 2012 | 2015 | 2020 | 2025 | 2030 | |||||
| 22 | 25 | 22-0.020 -0.041 |
25+0.021 | 2210 | 2212 | 2215 | 2220 | 2225 | 2230 | |||||||||
| 24 | 27 | 24-0.020 -0.041 |
27+0.021 | 2415 | 2420 | 2425 | 2430 | |||||||||||
| 25 | 28 | 25-0.020 -0.041 |
28+0.021 | 2510 | 2512 | 2515 | 2520 | 2525 | 2530 | 2540 | 2550 | |||||||
| 28 | 32 | 28-0.020 -0.041 |
32+0.025 | 1.970 | 2.005 | 1.2 | 0.4 | 2815 | 2820 | 2825 | 2830 | 2840 | ||||||
| 30 | 34 | 30-0.020 -0.041 |
34+0.025 | 3012 | 3015 | 3020 | 3025 | 3030 | 3040 | |||||||||
| 32 | 36 | 32-0.025 -0.050 |
36+0.025 | 3220 | 3230 | 3240 | ||||||||||||
| 35 | 39 | 35-0.025 -0.050 |
39+0.025 | 3512 | 3515 | 3520 | 3525 | 3530 | 3540 | 3550 | ||||||||
| 38 | 42 | 38-0.025 -0.050 |
42+0.025 | 3815 | 3830 | 3840 | ||||||||||||
| 40 | 44 | 40-0.025 -0.050 |
44+0.025 | 4012 | 4020 | 4025 | 4030 | 4040 | 4050 |
|||||||||
| unit:mm | |||||||||||||||||
| d | d | axle | housing h7 |
wall thickness | f1 | f2 | l0-0.40(d≤φ30 l -0.30 / d>φ30 l -0.40) | ||||||||||
|---|---|---|---|---|---|---|---|---|---|---|---|---|---|---|---|---|---|
| min | max | 20 | 25 | 30 | 40 | 50 | 60 | 70 | 80 | 100 | 115 | ||||||
| 45 | 50 | 45-0.025 -0.050 |
50+0.025 | 2.460 | 2.505 | 1.8 | 0.6 | 4520 | 4525 | 4530 | 4540 | 4550 | |||||
| 50 | 55 | 50-0.025 -0.050 |
55+0.030 | 5020 | 5030 | 5040 | 5050 | 5060 | |||||||||
| 55 | 60 | 55-0.030 -0.060 |
60+0.030 | 5530 | 5540 | 5550 | 5560 | ||||||||||
| 60 | 65 | 60-0.030 -0.060 |
65+0.030 | 6030 | 6040 | 6050 | 6060 | 6070 | |||||||||
| 65 | 70 | 65-0.030 -0.060 |
70+0.030 | 6530 | 6540 | 6550 | 6560 | 6570 | |||||||||
| 70 | 75 | 70-0.030 -0.060 |
75+0.030 | 7040 | 7050 | 7060 | 7070 | 7080 | |||||||||
| 75 | 80 | 75-0.030 -0.060 |
80+0.030 | 7530 | 7540 | 7550 | 7560 | 7570 | 7580 | ||||||||
| 80 | 85 | 80-0.030 | 85+0.035 | 2.440 | 2.490 | 1.8 | 0.6 | 8040 | 8050 | 8060 | 8070 | 8080 | 80100 | ||||
| 85 | 90 | 85-0.035 | 90+0.035 | 8540 | 8560 | 8580 | 85100 | ||||||||||
| 90 | 95 | 90-0.035 | 95+0.035 | 9040 | 9050 | 9060 | 9080 | 90100 | |||||||||
| 95 | 100 | 95-0.035 | 100+0.035 | 9550 | 9560 | 9580 | 95100 | ||||||||||
| 100 | 105 | 100-0.035 | 105+0.035 | 10050 | 10060 | 10080 | 100115 | ||||||||||
| 105 | 110 | 105-0.035 | 110+0.035 | 10560 | 10580 | 105115 | |||||||||||
| 110 | 115 | 110-0.035 | 115+0.035 | 11060 | 11080 | 110115 | |||||||||||
| 120 | 125 | 120-0.035 | 125+0.040 | 2.415 | 2.465 | 1.8 | 0.6 | 12060 | 12080 | 120100 | |||||||
| 125 | 130 | 125-0.040 | 130+0.040 | 12560 | 125100 | 125115 | |||||||||||
| 130 | 135 | 130-0.040 | 135+0.040 | 13060 | 13080 | 130100 | |||||||||||
| 140 | 145 | 140-0.040 | 145+0.040 | 14060 | 14080 | 140100 | |||||||||||
| 150 | 155 | 150-0.040 | 155+0.040 | 15060 | 15080 | 150100 | |||||||||||
| 160 | 165 | 160-0.040 | 165+0.040 | 16060 | 16080 | 160100 | 160115 | ||||||||||
| 180 | 185 | 180-0.040 | 185+0.046 | 2.415 | 2.465 | 1.8 | 0.6 | 18080 | 180100 | ||||||||
| 190 | 195 | 190-0.046 | 195+0.046 | 19080 | 190100 | ||||||||||||
| 200 | 205 | 200-0.046 | 205+0.046 | 20060 | 20080 | 200100 | |||||||||||
| 220 | 225 | 220-0.046 | 225+0.046 | 22080 | 220100 | ||||||||||||
| 250 | 255 | 250-0.046 | 255+0.052 | 2.415 | 2.465 | 1.8 | 0.6 | 25080 | 250100 | ||||||||
| 260 | 265 | 260-0.052 | 265+0.052 | 26080 | 260100 | ||||||||||||
| 280 | 285 | 280-0.052 | 285+0.052 | 28080 | 280100 | ||||||||||||
| 300 | 305 | 300-0.052 | 305+0.052 | 30080 | 300100 | ||||||||||||

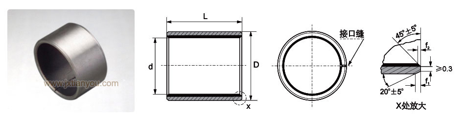
| unit:mm | |||||||||
| journal diameter | houingh7 | num. | size | f1 | f2 | ||||
|---|---|---|---|---|---|---|---|---|---|
| d1 | d2 | d3±0.25 | l±0.25 | l1-0.2 | |||||
| 6-0.013 -0.028 |
8+0.015 | 06040 | 6 | 8 | 12 | 1 | 0.6 | 0.3 | |
| 06070 | 7 | ||||||||
| 8-0.013 -0.028 |
10+0.015 | 08055 | 8 | 10 | 15 | 5.5 | |||
| 08075 | 7.5 | ||||||||
| 10-0.016 -0.034 |
12+0.018 | 10070 | 10 | 12 | 18 | 7 | |||
| 10090 | 9 | ||||||||
| 10120 | 12 | ||||||||
| 12-0.016 -0.034 |
14+0.018 | 12070 | 12 | 14 | 20 | 7 | |||
| 12090 | 9 | ||||||||
| 12120 | 12 | ||||||||
| 14-0.016 -0.034 |
16+0.018 | 14120 | 14 | 16 | 22 | 12 | |||
| 14170 | 17 | ||||||||
| 15-0.016 -0.034 |
17+0.018 | 15090 | 15 | 17 | 23 | 9 | |||
| 15120 | 12 | ||||||||
| 15170 | 17 | ||||||||
| 16-0.016 -0.034 |
18+0.018 | 16120 | 16 | 18 | 24 | 12 | |||
| 16170 | 17 | ||||||||
| 18-0.016 -0.034 |
20+0.021 | 18120 | 18 | 20 | 26 | 12 | |||
| 18170 | 17 | ||||||||
| 18200 | 20 | ||||||||
| 20-0.020 -0.041 |
23+0.021 | 20115 | 20 | 23 | 30 | 11.5 | 1.5 | 0.6 | 0.4 |
| 20165 | 16.5 | ||||||||
| 20215 | 21.5 | ||||||||
| 22-0.020 -0.041 |
25+0.021 | 22150 | 22 | 25 | 32 | 15 | |||
| 22200 | 20 | ||||||||
| 25-0.020 -0.041 |
28+0.021 | 25115 | 25 | 28 | 35 | 11.5 | |||
| 25165 | 16.5 | ||||||||
| 25215 | 21.5 | ||||||||
| 30-0.020 -0.041 |
34+0.025 | 30160 | 30 | 34 | 42 | 16 | 2 | 1.2 | 0.4 |
| 30260 | 26 | ||||||||
| 35-0.025 -0.050 |
39+0.025 | 35160 | 35 | 39 | 47 | 16 | |||
| 35260 | 26 | ||||||||
| 40-0.025 -0.050 |
44+0.025 | 40260 | 40 | 44 | 53 | 26 | |||
| 40400 | 40 | ||||||||
W3C HTML | W3C CSS | 返回页面顶端